功率调节器(SSAx204)系列

SSAx204技术参数
| 项目 | 参数 |
|---|
| SSA1204 | SSA2204 |
| 告警输出 | 无 | 继电器输出 |
| 负载通道 | 4通道 |
| 负载电压 | 220VAC |
| 负载电流 | 20A*4 |
| 设备供电 | 24VDC(12~36V),≤2.5W |
| 通讯方式 | RS485(默认38400,N,8,1),支持Modbus RTU协议 |
| 使用方式 | 485与TEN模块或PLC连接使用,可多个并联(Max 16个/64通道) |
| 通讯机制 | 通讯中断3秒停止输出(默认),可设置通讯中断后保持输出模式 |
| 站号设置 | 4位拔码开关(0x01~0x10) |
| 开关时间 | ≤10ms |
| 隔离电压 | ≥2500V |
| 绝缘电压 | ≥2000V |
| 状态指示 | LED指示灯 |
| 工作环境 | -20~65℃ |
| 外形尺寸 | 100.0mm*91.0mm*92.3mm |
| 安装方式 | 标准DIN35导轨安装 |
| 重量 | 470g |
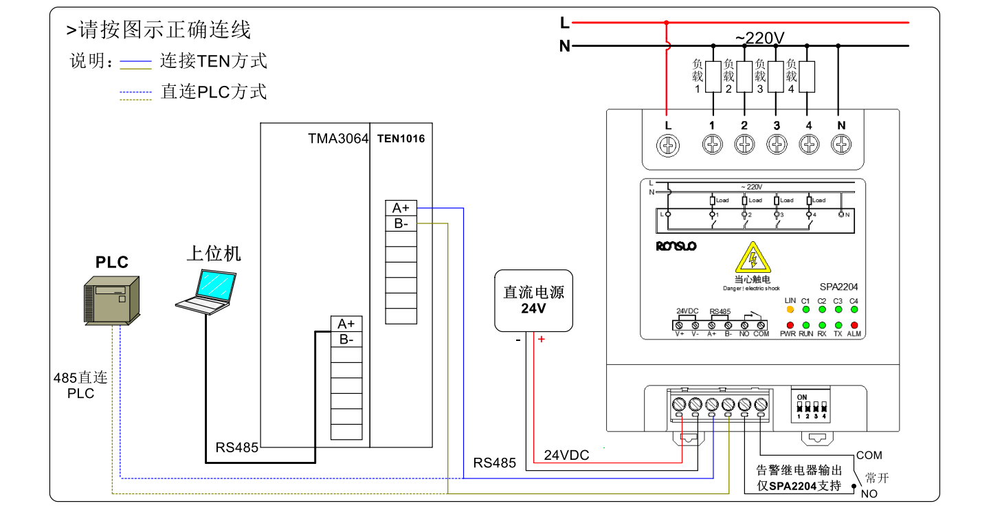
接线方式

功率调节器(SPAx204)系列

产品特点
多通道,体积小,智能 PWM 散热风扇;
防浪涌、静电保护,抗干扰能力强,可靠性高;
交流负载可控硅斩波控制输出;
无触点,响应快,抗震动,适应性强;
485 通讯,易接线,可多个并联使用;
标准 DIN35 导轨安装,施工方便。
应用场景
产品广泛应用在加热控温系统、太阳能电池板制造、数控机械、塑料机械、食品机械、
包装机械、工业电炉、烘箱、烤箱等自动化控制领域。
技术参数
| 项目 | 参数 |
|---|
| SPA1204 | SPA2204 |
| 告警输出 | 无 | 继电器输出 |
| 负载通道 | 4通道 |
| 负载电压 | 220VAC |
| 负载电流 | 20A*4 |
| 设备供电 | 24VDC(12~36V),≤2.5W |
| 通讯方式 | RS485(默认38400,N,8,1),支持Modbus RTU协议 |
| 使用方式 | 485与TEN模块或PLC连接使用,可多个并联(Max 16个/64通道) |
| 通讯机制 | 通讯中断3秒停止输出(默认),可设置通讯中断后保持输出模式 |
| 输出方式 | 斩波输出 |
| 站号设置 | 4位拔码开关(0x01~0x10) |
| 隔离电压 | ≥2500V |
| 绝缘电压 | ≥2000V |
| 状态指示 | LED指示灯 |
| 工作环境 | -20~65℃ |
| 外形尺寸 | 100.0mm*91.0mm*92.3mm |
| 安装方式 | 标准DIN35导轨安装 |
| 重量 | 470g |
接线方式:
